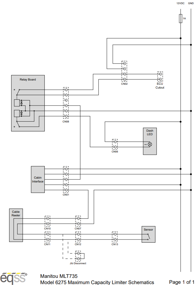
In order to comply with AS1418.19 Australian Standards when using a Jib which will lift not more than 3 tons, a Maximum Capacity Limiter (MCL) system can be required. The EQSS MCL kit for Manitou includes a fully calibrated and validated Limiter ...
Manitou MT1440/MT1840 2021 Model Connection Schematics What's different from earlier Manitou models? The 2021 model uses an internal CAN bus and thus the EQSS Gen 3 uses a CAN I/O module to extract information about drive direction and stabilisers ...
The load sensor measures the load attached to the hook of the jib If the load is greater than the set weight, the MCL signals an overload back to the cabin electronics. The load sensor is installed between the jib structure and the hook. Installation ...